Servo motors are widely used in industrial automation, robotics, aerospace, and automotive applications. They are ideal for tasks that require accurate and smooth motion control, such as positioning robotic arms, controlling the movement of CNC machines, and maintaining the stability of unmanned aerial vehicles (UAVs).
MOQ :
1pcsPayment :
T/T LC at sightProduct Origin :
ChinaShipping Port :
Guangzhou/ ShenzhenA servo motor is a type of rotary motor that is commonly used in applications that require precise control of position, velocity, and acceleration. Servo motors work by receiving an electrical signal from a controller, which tells the motor how much power to deliver to the shaft to rotate at a specified speed and direction. The feedback signal from a sensor on the motor is then used to make sure the motor is rotating at the desired speed and position.
Product Introduction
Shunrui servo motor has the characteristics of high efficiency, high response and high precision. It can be widely used in hydraulic servo motor or hydraulic equipment such as injection molding machines and hydraulic machines, and various general servo applications such as motion control.
Shunrui high torque servo motor parameters can also be customized according to customer requirements.


Product Advantages
- Using high-performance silicon steel sheets, high-performance grade magnetic steel, high temperature-resistant enameled wires, and high-precision feedback components;
- Small cogging torque and torque fluctuation, high control precision;
- The motor has a high overload capacity;
- High efficiency and wide efficient area;
- The motor has small rotational inertia and fast response time;
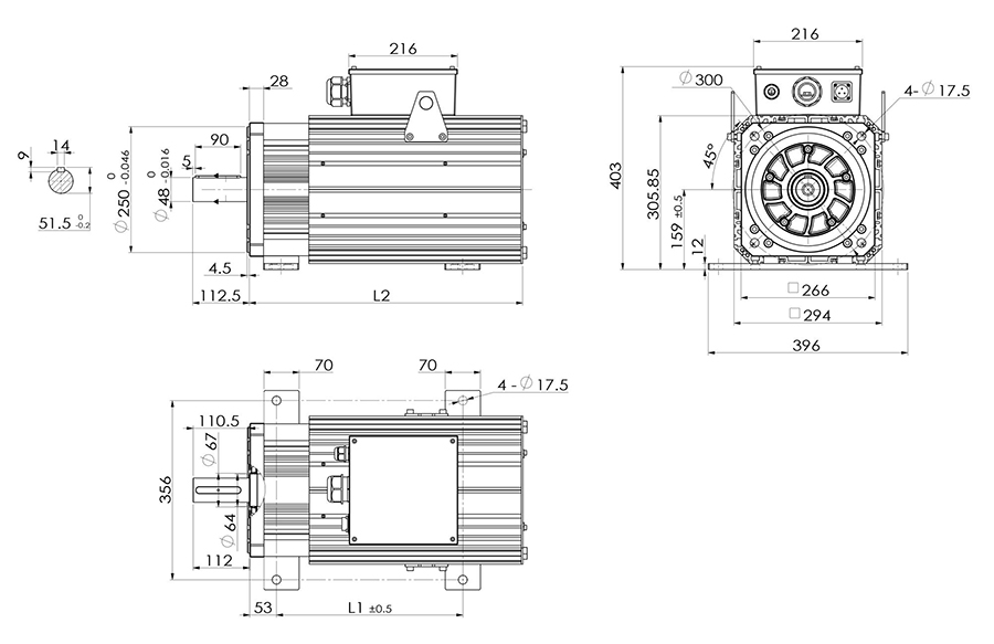
SR25A series - surface mount servo motor

|
Servo motor model |
SR25A06 |
SR25A08 |
SR25A10 |
SR25A12 |
SR25A14 |
SR25A16 |
SR25A18 |
|
L1(mm) |
262 |
317 |
370 |
423 |
476 |
529 |
583 |
|
L2(mm) |
452.5 |
497.5 |
542.5 |
587.5 |
632.5 |
677.5 |
722.5 |
|
SR25A series specifications |
|||||||||
|
Model |
Rated torque Tn(Nm) |
Rated current In(A) |
KT (Nm/A) |
Rated power Pn(kW) |
Rated speed N(RPM) |
Rated frequency f(Hz) |
Power level (V) |
Back EMF EMK(V) |
Rated inertia J(kg.m2.10-4) |
|
SR25A06-15F3 |
160.5 |
52.7 |
3.05 |
25.2 |
1500 |
100 |
380 |
295.6 |
408 |
|
SR25A08-15F3 |
214 |
71.8 |
2.98 |
33.6 |
1500 |
100 |
380 |
289.1 |
533 |
|
SR25A10-15F3 |
267.5 |
87.8 |
3.05 |
42 |
1500 |
100 |
380 |
295.6 |
659 |
|
SR25A12-15F3 |
321 |
105.3 |
3.05 |
50.4 |
1500 |
100 |
380 |
295.6 |
784 |
|
SR25A14-15F3 |
374.5 |
121.5 |
3.08 |
58.8 |
1500 |
100 |
380 |
298.9 |
909 |
|
SR25A16-15F3 |
428 |
143.6 |
2.98 |
67.2 |
1500 |
100 |
380 |
289.1 |
1035 |
|
SR25A18-15F3 |
481.5 |
158 |
3.05 |
75.6 |
1500 |
100 |
380 |
295.6 |
1160 |
|
SR25A20-15F3 |
535 |
175.5 |
3.05 |
84 |
1500 |
100 |
380 |
295.6 |
1286 |
|
SR25A06-17F3 |
160.5 |
58.6 |
2.74 |
28.6 |
1700 |
113.3 |
380 |
301.5 |
408 |
|
SR25A08-17F3 |
214 |
79 |
2.71 |
38.1 |
1700 |
113.3 |
380 |
297.8 |
533 |
|
SR25A10-17F3 |
267.5 |
98.7 |
2.71 |
47.6 |
1700 |
113.3 |
380 |
297.8 |
659 |
|
SR25A12-17F3 |
321 |
121.5 |
2.64 |
57.1 |
1700 |
113.3 |
380 |
290.4 |
784 |
|
SR25A14-17F3 |
374.5 |
143.8 |
2.60 |
66.7 |
1700 |
113.3 |
380 |
286.6 |
909 |
|
SR25A16-17F3 |
428 |
158.1 |
2.71 |
76.2 |
1700 |
113.3 |
380 |
297.8 |
1035 |
|
SR25A18-17F3 |
481.5 |
175.6 |
2.74 |
85.7 |
1700 |
113.3 |
380 |
301.5 |
1160 |
|
SR25A20-17F3 |
535 |
197.5 |
2.71 |
95.2 |
1700 |
113.3 |
380 |
297.8 |
1286 |
|
SR25A0-20F3 |
160.5 |
65.8 |
2.44 |
33.6 |
2000 |
133.3 |
380 |
315.3 |
408 |
|
SR25A08-20F3 |
214 |
87.8 |
2.44 |
44.8 |
2000 |
133.3 |
380 |
315.3 |
533 |
|
SR25A10-20F3 |
267.5 |
112.8 |
2.37 |
56 |
2000 |
133.3 |
380 |
306.6 |
659 |
|
SR25A12-20F3 |
321 |
131.6 |
2.44 |
67.2 |
2000 |
133.3 |
380 |
315.3 |
784 |
|
SR25A14-20F3 |
374.5 |
157.9 |
2.37 |
78.4 |
2000 |
133.3 |
380 |
306.6 |
909 |
|
SR25A16-20F3 |
428 |
175.5 |
2.44 |
89.6 |
2000 |
133.3 |
380 |
315.3 |
1035 |
|
SR25A18-20F3 |
481.5 |
197.5 |
2.44 |
100.8 |
2000 |
133.3 |
380 |
315.3 |
1160 |
|
SR25A20-20F3 |
535 |
225.6 |
2.37 |
112 |
2000 |
133.3 |
380 |
306.6 |
1286 |
Factory facilities




Model Naming Rules
Eg: SR18A10-17F3-R1A1
Shunrui+series No.+Motor type+Segment+Rated speed+Cooling method+Power level+Encoder+Aviation Insertion type+Bearing Type

Applications

Hydraulic servo injection molding machine
Hydraulic servo injection molding machine
Servo die-casting machine

Shoe machine
Keel machine

Plastic extruder

Shearing machine
Default tag
Servo Motor Tags could be customized based on requirements
Packing

We will contact you as soon as possible
Hi! Click one of our members below to chat on